上海浦东品茶微信,佛山蒲友品茶论坛,华同社区论坛 手机版

您好!欢迎来到江苏江铭机电有限公司官网!

0513-55885869

—— 新闻中心 ——

NEWS CENTER

咨询热线
0513-55885869
您的位置:首页 > 新闻中心 > 公司专题

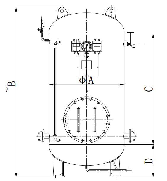
船用压力水柜工作原理

发布时间:2022-07-15人气:1008

船用压力水柜可作为船舶淡水柜或卫生水柜,为船舶提供清洁用水或生活用水。首先启动供水泵向水柜内注水,当液位计玻璃管上能看见水位后停止泵水,然后启动空气压缩机,通过充气阀向柜内充气。当压力表显示达到0.25Mpa时停止供气,并重新启动水泵向柜内供水。当压力表显示0.4Mpa时,水泵电动机断电,水泵停止工作。当柜内压力随着用水而使压力降至0.25Mpa时,压力控制器重新工作,使电机启动,水泵恢复供水,实现水柜的自动控制。

微信图片_20220714181002.png


在线客服
服务热线

服务热线

0513-55885869

微信咨询
江苏江铭机电有限公司
返回顶部
主站蜘蛛池模板: 伽师县| 天长市| 梁河县| 连南| 丹巴县| 花莲市| 讷河市| 平远县| 河东区| 永宁县| 罗山县| 怀仁县| 荆门市| 新疆| 县级市| 张家川| 浙江省| 林西县| 城固县| 阳新县| 绥滨县| 汉川市| 遵化市| 罗甸县| 萨迦县| 黎平县| 湘西| 迁西县| 肃宁县| 咸宁市| 贺州市| 含山县| 平阴县| 丰宁| 巧家县| 台东市| 达州市| 巴东县| 织金县| 通道| 绥德县|