上海浦东品茶微信,佛山蒲友品茶论坛,华同社区论坛 手机版

您好!欢迎来到江苏江铭机电有限公司官网!

0513-55885869

海水滤器 自清洗海水滤器

发布时间:2022-07-14人气:217
  • 海水滤器 自清洗海水滤器
  • 海水滤器 自清洗海水滤器
  • 海水滤器 自清洗海水滤器




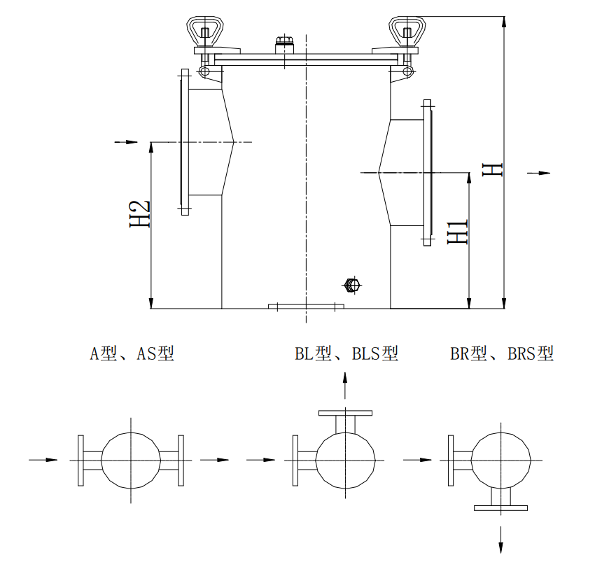
海水滤器

各种 CB/T497-94 标准滤器以及非标滤器,不锈钢材质、钛合金材质,直通型、直角型。


微信图片_20220714171625.png



2024123043550417.jpg





在线客服
服务热线

服务热线

0513-55885869

微信咨询
江苏江铭机电有限公司
返回顶部
主站蜘蛛池模板: 河池市| 阿坝| 太湖县| 泰来县| 政和县| 饶平县| 两当县| 武鸣县| 青阳县| 德令哈市| 西乡县| 汝阳县| 渝中区| 新沂市| 惠东县| 肇东市| 讷河市| 顺平县| 高平市| 松原市| 左权县| 阿拉善左旗| 光泽县| 墨玉县| 隆化县| 申扎县| 台安县| 都兰县| 康马县| 湟中县| 西盟| 桐庐县| 秦皇岛市| 肥乡县| 罗甸县| 德州市| 道孚县| 东港市| 仲巴县| 武强县| 安丘市|